LOSUJ 1 PYTANIE INF02

20

INF.02

INF.02 / EE.08 – JEDNO PYTANIE

TRYB 1 PYTANIE – 1 losowe pytanie INF.02/EE.08
Powodzenia !

Kategoria: Urządzenia techniki komputerowej (UTK)

Zdolność tworzenia strumienia elektromagnetycznego przez obwód zasilany prądem to

Kategoria: Sieci komputerowe (SK)

Do jakiego rodzaju kabli należy zastosować narzędzie przedstawione na zdjęciu?

Kategoria: Urządzenia techniki komputerowej (UTK)

Na stronie wydrukowanej w drukarce atramentowej pojawiają się smugi, kropki, kleksy i plamy. Aby rozwiązać problemy z jakością wydruku, należy

Kategoria: Sieci komputerowe (SK)

Adres IPv6 jest podzielony na osiem bloków, każdy o rozmiarze

Kategoria: Sieci komputerowe (SK)

Protokół, dzięki któremu po połączeniu z serwerem pocztowym transmitowane są na komputer jedynie same nagłówki wiadomości, a transmisja treści oraz załączników następuje dopiero po otwarciu danego listu, to

Kategoria: Urządzenia techniki komputerowej (UTK)

Przyczyną uszkodzenia mechanicznego dysku twardego w komputerze stacjonarnym może być

Kategoria: Urządzenia techniki komputerowej (UTK)

Liczba (AB)16 zapisana w systemie dziesiętnym ma wartość

Kategoria: Urządzenia techniki komputerowej (UTK)

Element elektroniczny oznaczony na schemacie czerwonym kółkiem to

Kategoria: Sieci komputerowe (SK)

Które urządzenie należy podłączyć do sieci lokalnej w miejscu wskazanym na rysunku, aby komputery miały
dostęp do Internetu?

Kategoria: Sieci komputerowe (SK)

Który skrót oznacza osobistą sieć komputerową?

Kategoria: Sieci komputerowe (SK)

Którym urządzeniem sieciowym należy zastąpić koncentrator, aby podzielić sieć LAN na cztery oddzielne domeny kolizji?

Kategoria: Sieci komputerowe (SK)

Ile maksymalnie adresów można przydzielić hostom w sieci 10.0.0.0/22?

Kategoria: Sieci komputerowe (SK)

Urządzenie przedstawione na rysunku jest stosowane w celu

Kategoria: Systemy operacyjne (SO)

Wskaż nazwę przedstawionego na rysunku interfejsu, wykorzystywanego między innymi do zarządzania
systemem operacyjnym.

Kategoria: Sieci komputerowe (SK)

Zgodnie ze standardem EIA/TIA T568B żyły pary odbiorczej skrętki pokryte są materiałem izolacyjnym w kolorze

Kategoria: Systemy operacyjne (SO)

W systemach Windows profil tymczasowy użytkownika jest

Kategoria: Systemy operacyjne (SO)

Która z licencji na oprogramowanie wiąże je trwale z zakupionym komputerem i nie pozwala na przenoszenie praw użytkowania programu na inny komputer?

Kategoria: Urządzenia techniki komputerowej (UTK)

Przedstawiony program jest wykorzystywany do diagnostyki

Kategoria: Sieci komputerowe (SK)

W projekcie sieci komputerowej jest zawarta informacja dotycząca korzystania z protokołów TCP oraz UDP. W której warstwie modelu ISO/OSI są zdefiniowane te protokoły?

Kategoria: Urządzenia techniki komputerowej (UTK)

Przedstawione narzędzie podczas naprawy zestawu komputerowego przeznaczone jest do

Kategoria: Urządzenia techniki komputerowej (UTK)

Ile portów USB może być dostępnych w komputerze wyposażonym w przedstawioną płytę główną bez
zastosowania huba USB i podłączenia dodatkowych kart?

Kategoria: Sieci komputerowe (SK)

Na rysunku przedstawiony jest symbol graficzny

Kategoria: Systemy operacyjne (SO)

Sprawdzenie ilości wolnego miejsca na dysku twardym w systemie Linux umożliwia polecenie

Kategoria: Systemy operacyjne (SO)

Które polecenie systemu z rodziny Windows pozwala sprawdzić, przechowywane w pamięci podręcznej komputera, zapamiętane tłumaczenia nazw DNS na adresy IP?

Kategoria: Sieci komputerowe (SK)

Sieć VLAN można skonfigurować na

Kategoria: Sieci komputerowe (SK)

Który moduł zabezpieczeń występuje w pakietach Internet Security (IS), a nie ma go w programach antywirusowych (AV)?

Kategoria: Sieci komputerowe (SK)

Ile maksymalnie adresów można przydzielić hostom w sieci 10.0.0.0/22?

Kategoria: Urządzenia techniki komputerowej (UTK)

Za pomocą testów statycznych okablowania można zdiagnozować

Kategoria: Sieci komputerowe (SK)

Którym akronimem jest oznaczony program do sporządzania graficznych wykresów ruchu, który odbywa się na interfejsach urządzeń sieciowych?

Kategoria: Systemy operacyjne (SO)

Polecenie chmod +x test

Kategoria: Urządzenia techniki komputerowej (UTK)

Liczba 1010O jest zapisana w systemie

Kategoria: Urządzenia techniki komputerowej (UTK)

Przedstawione narzędzie jest stosowane do

Kategoria: Systemy operacyjne (SO)

Poleceniem systemu Windows, które wymusza zmianę hasła po zalogowaniu użytkownika test jest

Kategoria: Sieci komputerowe (SK)

Który protokół nie jest stosowany do konfiguracji wirtualnej sieci prywatnej?

Kategoria: Sieci komputerowe (SK)

Jak nazywa się atak w sieci lokalnej polegający na próbie podszycia się pod kogoś innego?

Kategoria: Systemy operacyjne (SO)

Poleceniem systemu Linux służącym do wyświetlenia informacji, zawierających aktualną godzinę, czas działania systemu oraz liczbę zalogowanych użytkowników, jest

Kategoria: Urządzenia techniki komputerowej (UTK)

Który element serwera typu rack można wymieniać bez konieczności zdejmowania górnej obudowy?

Kategoria: Sieci komputerowe (SK)

Usługa serwerowa stosowana do automatycznej konfiguracji interfejsów sieciowych stacji klienckich to

Kategoria: Systemy operacyjne (SO)

Rodzajem macierzy RAID, która nie jest odporna na awarię dowolnego z dysków wchodzących w jej skład, jest

Kategoria: Sieci komputerowe (SK)

Strzałka na rysunku przedstawiającym schemat systemu sieciowego według normy PN-EN 50173 wskazuje okablowanie

Kategoria: Urządzenia techniki komputerowej (UTK)

Liczba dziesiętna o wartości 128Dbędzie w systemie heksadecymalnym miała wartość

Kategoria: Sieci komputerowe (SK)

Stosowana w projektowaniu adresacji IPv4 technika VLSM pozwala na

Kategoria: Systemy operacyjne (SO)

Shareware to rodzaj licencji polegającej na

Kategoria: Sieci komputerowe (SK)

Który adres wskazuje na to, że komputer pracuje w sieci o adresie IP 192.168.10.64/26?

Kategoria: Systemy operacyjne (SO)

Które cechy ma licencja bezpłatnego oprogramowania zwana freemium?

Kategoria: Sieci komputerowe (SK)

W trakcie obserwacji pakietów za pomocą sniffera zauważono, że urządzenia komunikują się na portach
20 oraz 21. Oznacza to, zakładając domyślną konfigurację, że obserwowanym protokołem jest protokół

Kategoria: Urządzenia techniki komputerowej (UTK)

Symbole i oznaczenia znajdujące się na zamieszczonej tabliczce znamionowej podzespołu informują między innymi o tym, że produkt jest

Kategoria: Sieci komputerowe (SK)

Na schemacie okablowania strukturalnego przy jednym z elementów widnieje zapis MDF. Z którym punktem dystrybucyjnym jest ten element związany?

Kategoria: Sieci komputerowe (SK)

By podłączyć drukarkę bez karty sieciowej do przewodowej sieci komputerowej należy zainstalować serwer wydruku z interfejsami

Kategoria: Systemy operacyjne (SO)

Programem wykorzystywanym w systemie Linux do odtwarzania muzyki jest

Kategoria: Sieci komputerowe (SK)

Przedstawiony na rysunku wtyk należy zastosować do zakańczania kabli kategorii

Kategoria: Sieci komputerowe (SK)

Które urządzenie należy podłączyć do sieci lokalnej w miejscu wskazanym na rysunku, aby komputery miały dostęp do Internetu?

Kategoria: Systemy operacyjne (SO)

W zasadach grup włączono i skonfigurowano opcję „Ustaw ścieżkę profilu mobilnego dla wszystkich użytkowników logujących się do tego komputera”: W którym folderze serwera będzie się znajdował profil mobilny użytkownika jkowal?

Kategoria: Sieci komputerowe (SK)

W modelu ISO/OSI protokoły TCP i UDP pracują w warstwie

Kategoria: Sieci komputerowe (SK)

Na rysunku jest przedstawiony komunikat pojawiający się po wpisaniu adresu IP podczas konfiguracji połączenia sieciowego na komputerze. Adres IP wprowadzony przez administratora jest adresem IP

Kategoria: Sieci komputerowe (SK)

Rekord typu A serwera DNS

Kategoria: Sieci komputerowe (SK)

Na podstawie tabeli ustal, ile kabli ekranowanych typu skrętka należy poprowadzić w listwie PCV typu LN 25×16.

Kategoria: Systemy operacyjne (SO)

Aktualizacja systemów operacyjnych to proces, którego głównym zadaniem jest

Kategoria: Sieci komputerowe (SK)

Aby uzyskać największą prędkość przepływu danych w przypadku, gdy domowy ruter pracuje w paśmie częstotliwości 5 GHz, do notebooka powinno się zamontować bezprzewodową kartę sieciową pracującą w standardzie

Kategoria: Sieci komputerowe (SK)

Która trasa jest oznaczona literą R w tablicy rutingu?

Kategoria: Urządzenia techniki komputerowej (UTK)

Który układ mikroprocesora jest odpowiedzialny między innymi za pobieranie rozkazów z pamięci oraz generowanie sygnałów sterujących?

Kategoria: Sieci komputerowe (SK)

Który rekord bazy DNS (Domain Name System) pozwala na zdefiniowanie aliasu rekordu A?

Kategoria: Sieci komputerowe (SK)

Jaka jest wartość dopuszczalnej długości kabla typu skrętka pomiędzy panelem krosowniczym a gniazdem abonenckim według normy PN-EN 50174-2?

Kategoria: Sieci komputerowe (SK)

Który z wymienionych protokołów rutingu dynamicznego należy zastosować, aby umożliwić współpracę ruterów łączących sieci należące do różnych dostawców usług internetowych?

Kategoria: Sieci komputerowe (SK)

Którym poleceniem systemu Linux można sprawdzić trasę pakietu do docelowego urządzenia?

Kategoria: Systemy operacyjne (SO)

Programem służącym do archiwizacji danych w systemie Linux jest

Kategoria: Systemy operacyjne (SO)

Które uprawnienia sytemu plików NTFS umożliwiają użytkownikowi usunięcie folderu?

Kategoria: Systemy operacyjne (SO)

Program systemu Linux, pozwalający na zebranie w czasie rzeczywistym informacji statystycznych na temat ruchu sieciowego, to

Kategoria: Urządzenia techniki komputerowej (UTK)

Planując prace modernizacyjne komputera przenośnego, związane z wymianą procesora, należy w pierwszej kolejności

Kategoria: Sieci komputerowe (SK)

Protokół, dzięki któremu po połączeniu z serwerem pocztowym transmitowane są na komputer jedynie same
nagłówki wiadomości, a transmisja treści oraz załączników następuje dopiero po otwarciu danego listu, to

Kategoria: Sieci komputerowe (SK)

Urządzeniem, które umożliwia komputerom bezprzewodowy dostęp do przewodowej sieci komputerowej,
jest

Kategoria: Sieci komputerowe (SK)

Jak oznaczona jest skrętka bez ekranu zewnętrznego z każdą parą w osobnym ekranie z folii?

Kategoria: Sieci komputerowe (SK)

Zestawienie połączenia między dwoma odległymi hostami, za pośrednictwem publicznej sieci, np. Internet, w taki sposób, że węzły tej sieci są przezroczyste dla przesyłanych w ten sposób pakietów, to

Kategoria: Sieci komputerowe (SK)

Które bity w 48 bitowym adresie sprzętowym MAC są identyfikatorem producenta?

Kategoria: Systemy operacyjne (SO)

Shareware to rodzaj licencji polegającej na

Kategoria: Systemy operacyjne (SO)

Przedstawiony na rysunku kolor zapisany w modelu RGB, w systemie szesnastkowym będzie zdefiniowany następująco

Kategoria: Sieci komputerowe (SK)

Który z programów nie jest stosowany do zdalnego zarządzania komputerami w sieci?

Kategoria: Sieci komputerowe (SK)

Typ transmisji danych do jednego bądź kilku komputerów w jednej chwili, w której odbiorcy są widziani dla nadawcy jako pojedynczy grupowy odbiorca, to

Kategoria: Systemy operacyjne (SO)

Złośliwe oprogramowanie służące do rejestracji klawiszy naciskanych przez użytkownika systemu
operacyjnego to

Kategoria: Urządzenia techniki komputerowej (UTK)

W notebooku został uszkodzony moduł pamięci 4GB DDR3-1066 1.5V. Można go zastąpić modułem

Kategoria: Sieci komputerowe (SK)

Ile bitów należy przejąć z części hosta, aby sieć o adresie IPv4 10.0.10.0/24 można było podzielić na 16 podsieci?

Kategoria: Systemy operacyjne (SO)

Który rodzaj pliku pozwala na rejestrację zdjęć aparatem cyfrowym o najwyższej wierności odwzorowania
obrazu oraz umożliwia dokładną obróbkę tego pliku na komputerze?

Kategoria: Sieci komputerowe (SK)

Czteroparowy kabel skręcany, w którym każda para przewodów posiada ekran foliowy i dodatkowo wszystkie pary są ekranowane siatką, to kabel

Kategoria: Systemy operacyjne (SO)

Które zdanie dotyczące standardu GPT jest prawdziwe?

Kategoria: Sieci komputerowe (SK)

Który zapis jest formą uproszczoną adresu IPv6: 2020:0dc8:0000:0001:0000:0000:0000:0001 ?

Kategoria: Systemy operacyjne (SO)

Które uprawnienia sytemu plików NTFS umożliwiają użytkownikowi usunięcie folderu?

Kategoria: Sieci komputerowe (SK)

Zgodnie z normą PN-EN 50174 rozplot kabla UTP nie powinien być większy niż

Kategoria: Urządzenia techniki komputerowej (UTK)

Przeznaczone do recyklingu odpady z tworzyw sztucznych pozostałe po naprawie komputera należy
wyrzucać do pojemników oznaczonych kolorem

Kategoria: Systemy operacyjne (SO)

Narzędzie systemów z rodziny Windows stosowane do modyfikowania parametrów pracy interfejsów sieciowych, np. zmiana dynamicznej konfiguracji karty sieciowej na statyczną, to

Kategoria: Sieci komputerowe (SK)

Jakie jest zastosowanie noża uderzeniowego?

Kategoria: Systemy operacyjne (SO)

W systemach Windows profil tymczasowy użytkownika jest

Kategoria: Sieci komputerowe (SK)

Adres IPv6 jest podzielony na osiem bloków, każdy o rozmiarze

Kategoria: Urządzenia techniki komputerowej (UTK)

Wynikiem działania przedstawionego układu logicznego po podaniu na wejściach A i B sygnałów logicznych A=1 i B=1 są wartości logiczne:

Kategoria: Sieci komputerowe (SK)

Organizacją publikującą dokumenty RFC (Request For Comments) regulujące rozwój Internetu jest

Kategoria: Systemy operacyjne (SO)

Aby serwer Windows mógł zarządzać usługami katalogowymi, należy zainstalować

Kategoria: Systemy operacyjne (SO)

Aby zabezpieczyć zawartość komputera pracującego pod kontrolą systemu Windows, można zaszyfrować
katalogi poleceniem

Kategoria: Sieci komputerowe (SK)

Przedstawione obszary sieci komputerowej powstałe po skonfigurowaniu rutera to domeny typu

Kategoria: Urządzenia techniki komputerowej (UTK)

Do jakiego rodzaju kabli należy zastosować narzędzie przedstawione na zdjęciu?

Kategoria: Sieci komputerowe (SK)

Wskaż najlepszą trasę sumaryczną dla podsieci IPv4:

Kategoria: Sieci komputerowe (SK)

Z jaką prędkością realizowana jest transmisja danych w standardzie 1000Base-T?

Kategoria: Sieci komputerowe (SK)

Który z protokołów jest stosowany w telefonii internetowej?

Kategoria: Sieci komputerowe (SK)

Którą usługę należy uruchomić na ruterze, aby każda stacja robocza miała możliwość wymiany pakietów z siecią Internet w przypadku gdy do dyspozycji jest 5 adresów publicznych i aż 18 stacji roboczych?

Kategoria: Urządzenia techniki komputerowej (UTK)

Który z parametrów czasowych pamięci RAM jest nazywany czasem dostępu?

Kategoria: Urządzenia techniki komputerowej (UTK)

Kamera cyfrowa łączy się z notebookiem za pomocą interfejsu i.Link. Do którego gniazda w notebooku
należy podłączyć kamerę?

Kategoria: Sieci komputerowe (SK)

Ile bitów o wartości 1 zawiera standardowa maska adresu IPv4 klasy B?

Kategoria: Sieci komputerowe (SK)

Wpisanie polecenia configure terminal w przedstawionym interfejsie CLI rutera CISCO spowoduje

Kategoria: Urządzenia techniki komputerowej (UTK)

Jednostką oporu elektrycznego jest

Kategoria: Sieci komputerowe (SK)

Który z adresów jest adresem hosta należącego do sieci 10.128.0.0/10?

Kategoria: Sieci komputerowe (SK)

Który protokół należy skonfigurować w przełączniku sieciowym, aby zapobiec zjawisku broadcast storm?

Kategoria: Sieci komputerowe (SK)

Ile maksymalnie adresów sieci jest dostępnych w adresacji IP klasy A?

Kategoria: Sieci komputerowe (SK)

Na rysunku przedstawiono

Kategoria: Sieci komputerowe (SK)

Medium transmisyjnym, w którym na przesyłany sygnał nie oddziałują zakłócenia elektromagnetyczne, to

Kategoria: Sieci komputerowe (SK)

Jaki będzie koszt materiałów zużytych do wykonania 20 kabli typu patchcord o długości 50 cm?

Kategoria: Sieci komputerowe (SK)

Kabel sieciowy, którego wtyk na jednym końcu jest wykonany według standardu 568A, a na drugim według
568B, to kabel

Kategoria: Urządzenia techniki komputerowej (UTK)

Do umocowania nowych radiatorów na układach pamięci karty graficznej, jeżeli stare i niesprawne zostały wymontowane, można użyć

Kategoria: Sieci komputerowe (SK)

Na schemacie okablowania strukturalnego przy jednym z elementów widnieje zapis MDF. Z którym punktem
dystrybucyjnym jest ten element związany?

Kategoria: Systemy operacyjne (SO)

Profil użytkownika systemu Windows Serwer, który po wylogowaniu nie zapisuje zmian na serwerze i stacji roboczej oraz jest usuwany pod koniec każdej sesji, to profil

Kategoria: Sieci komputerowe (SK)

Wskaż adres rozgłoszeniowy dla podsieci 86.10.20.64/26

Kategoria: Sieci komputerowe (SK)

Ile komputerów można zaadresować w sieci z maską 255.255.255.224?

Kategoria: Sieci komputerowe (SK)

Który protokół nie jest stosowany do konfiguracji wirtualnej sieci prywatnej?

Kategoria: Sieci komputerowe (SK)

Który z adresów jest adresem hosta należącego do sieci 10.128.0.0/10?

Kategoria: Systemy operacyjne (SO)

Narzędziem systemu Linux OpenSUSE dedykowanym między innymi do zarządzania systemem jest

Kategoria: Urządzenia techniki komputerowej (UTK)

Liczba 54321(o) zapisana w systemie heksadecymalnym ma postać

Kategoria: Sieci komputerowe (SK)

Która z par: protokół – warstwa, w której pracuje protokół, jest poprawnie połączona według modelu TCP/IP?

Kategoria: Sieci komputerowe (SK)

Który protokół służy do przesyłania plików na serwer?

Kategoria: Systemy operacyjne (SO)

Które z poleceń systemu Windows należy zastosować, aby otrzymać wynik jak na przedstawionym rysunku?

Kategoria: Systemy operacyjne (SO)

Wskaż rodzaj komunikatu stosowanego w komunikacji między agentem SNMP a menedżerem SNMP, który pozwala agentowi na powiadomienie menedżera o ważnych zdarzeniach.

Kategoria: Sieci komputerowe (SK)

Na rysunku jest przedstawiony komunikat pojawiający się po wpisaniu adresu IP podczas konfiguracji połączenia sieciowego na komputerze. Adres IP wprowadzony przez administratora jest adresem IP

Kategoria: Sieci komputerowe (SK)

Na rysunku przedstawiono

Kategoria: Sieci komputerowe (SK)

Na schemacie przedstawiono sieć o bezprzewodowej zdecentralizowanej strukturze zwanej

Kategoria: Systemy operacyjne (SO)

Który rodzaj kopii bezpieczeństwa należy zastosować w celu archiwizacji wszystkich danych, niezależnie od czasu kiedy były archiwizowane po raz ostatni?

Kategoria: Sieci komputerowe (SK)

Komputery K1, K2, K3, K4 są podłączone do interfejsów przełącznika przypisanych do VLAN-ów podanych
w tabeli. Które komputery mogą się ze sobą komunikować?

Kategoria: Systemy operacyjne (SO)

Wskaż nazwę przedstawionego na ilustracji interfejsu, wykorzystywanego między innymi do zarządzania systemem operacyjnym.

Kategoria: Sieci komputerowe (SK)

Który z protokołów jest stosowany w telefonii internetowej?

Kategoria: Sieci komputerowe (SK)

W jakim celu należy uaktywnić w przełączniku funkcję RMON (Remote Network Monitoring)?

Kategoria: Urządzenia techniki komputerowej (UTK)

Aby przygotować do pracy skaner, którego opis zawarto w tabeli, należy w pierwszej kolejności

Kategoria: Sieci komputerowe (SK)

Które urządzenie należy podłączyć do sieci lokalnej w miejscu wskazanym na rysunku, aby komputery miały dostęp do Internetu?

Kategoria: Systemy operacyjne (SO)

Użycie polecenia sudo ifup eth0 do konfiguracji interfejsu sieciowego w systemie Linux spowoduje

Kategoria: Sieci komputerowe (SK)

W trakcie tworzenia projektu sieci komputerowej należy w pierwszej kolejności

Kategoria: Systemy operacyjne (SO)

Aby zapewnić możliwość odzyskania ważnych danych, należy regularnie

Kategoria: Sieci komputerowe (SK)

Oznaczenie wtyku zwanego popularnie RJ45 to

Kategoria: Sieci komputerowe (SK)

Na przedstawionym rysunku urządzeniem, poprzez które połączone są komputery, jest

Kategoria: Urządzenia techniki komputerowej (UTK)

Przedstawiony na rysunku symbol graficzny oznacza bramkę logiczną

Kategoria: Urządzenia techniki komputerowej (UTK)

Który z wymienionych interfejsów należy wybrać do podłączenia dysku SSD do płyty głównej komputera stacjonarnego, aby uzyskać największą prędkość zapisu i odczytu danych?

Kategoria: Urządzenia techniki komputerowej (UTK)

Układ na karcie graficznej, którego zadaniem jest zamiana cyfrowego sygnału generowanego poprzez kartę na sygnał analogowy, który może być wyświetlony poprzez monitor to

Kategoria: Systemy operacyjne (SO)

Aby w systemie Linux wyszukać wszystkie pliki o dowolnej długości nazwy z rozszerzeniem txt, znajdujące
się w katalogu /home/user i zawierające w nazwie ciąg znaków abc, należy wydać polecenie

Kategoria: Sieci komputerowe (SK)

Dyn, firma, której serwery DNS zaatakowano, przyznała, że część ataku …. nastąpiła za pomocą różnych urządzeń połączonych z siecią. Ekosystem kamer, czujników, kontrolerów nazywany ogólnie „Internetem rzeczy” został użyty przez przestępców jako botnet − sieć maszyn-zombie. Do tej pory taką rolę pełniły głównie komputery. Cytat opisuje atak typu

Kategoria: Sieci komputerowe (SK)

Sieć o adresie IP 192.168.2.0/24 podzielono na 8 podsieci. Wskaż maskę dla nowych podsieci?

Kategoria: Systemy operacyjne (SO)

Menedżer urządzeń w systemie Windows pozwala na wykrycie

Kategoria: Urządzenia techniki komputerowej (UTK)

Przedstawiony na rysunku symbol graficzny oznacza bramkę logiczną

Kategoria: Sieci komputerowe (SK)

Adresem IPv4 urządzenia pracującego w sieci 10.100.0.0/18 jest

Kategoria: Sieci komputerowe (SK)

Zamieszczona specyfikacja sprzętowa dotyczy

Kategoria: Sieci komputerowe (SK)

Która usługa działa na porcie 3389?

Kategoria: Urządzenia techniki komputerowej (UTK)

Sygnał sterujący wysyłany przez procesor, umożliwiający zapis do urządzeń wejścia – wyjścia, został na schemacie oznaczony numerem

Kategoria: Sieci komputerowe (SK)

Jak nazywa się atak w sieci lokalnej polegający na próbie podszycia się pod kogoś innego?

Kategoria: Sieci komputerowe (SK)

Aby zabezpieczyć komunikację terminalową z serwerem, należy użyć połączenia z wykorzystaniem protokołu

Kategoria: Sieci komputerowe (SK)

Adres rozgłoszeniowy dla sieci 172.30.0.0/16 to

Kategoria: Urządzenia techniki komputerowej (UTK)

Topologia logiczna, której mechanizm działania jest pokazany na przedstawionym schemacie blokowym, to topologia

Kategoria: Sieci komputerowe (SK)

Narzędzie przedstawione na zdjęciu to

Kategoria: Urządzenia techniki komputerowej (UTK)

Wynikiem działania przedstawionej funkcji logicznej jest wyrażenie

Kategoria: Sieci komputerowe (SK)

Translacja adresów sieciowych jest oznaczona skrótem

Kategoria: Systemy operacyjne (SO)

Usługa serwerowa, która umożliwia udostępnianie linuksowych usług drukowania oraz serwera plików stacjom roboczym Windows, to

Kategoria: Systemy operacyjne (SO)

Która rola serwera Windows Server umożliwia scentralizowaną obsługę i konfigurację tymczasowych adresów IP i pokrewnych informacji dla komputerów klienckich?

Kategoria: Systemy operacyjne (SO)

Aby w edytorze Regedit przywrócić stan rejestru systemowego za pomocą wcześniej utworzonej kopii zapasowej, należy użyć funkcji

Kategoria: Systemy operacyjne (SO)

Aby uruchomić konsolę przedstawioną na rysunku, należy wpisać w wierszu poleceń

Kategoria: Sieci komputerowe (SK)

Ile maksymalnie adresów można przydzielić hostom w sieci 10.0.0.0/22?

Kategoria: Sieci komputerowe (SK)

Na przedstawionym rysunku urządzeniem, poprzez które połączone są komputery, jest

Kategoria: Urządzenia techniki komputerowej (UTK)

Która z bramek realizuje operację różnicy symetrycznej?

Kategoria: Sieci komputerowe (SK)

Na którym domyślnym porcie działa serwer WWW stosujący domyślny protokół HTTPS w standardowej konfiguracji?

Kategoria: Sieci komputerowe (SK)

Które polecenie systemu z rodziny Windows pozwala sprawdzić, przechowywane w pamięci podręcznej komputera, zapamiętane tłumaczenia nazw DNS na adresy IP?

Kategoria: Systemy operacyjne (SO)

W systemie Linux do wyświetlenia wszystkich grup, do których należy użytkownik egzamin służy polecenie

Kategoria: Sieci komputerowe (SK)

Który rekord bazy DNS (Domain Name System) pozwala na zdefiniowanie aliasu rekordu A?

Kategoria: Urządzenia techniki komputerowej (UTK)

W ciągu godziny instalator może zamontować 5 gniazd. Jaki jest koszt materiałów oraz zamontowania 20 natynkowych gniazd sieciowych, jeżeli cena 1 gniazda to 5,00 zł a koszt roboczogodziny pracy instalatora to 30,00 zł?

Kategoria: Sieci komputerowe (SK)

Na ile równych podsieci należy podzielić sieć o adresie IPv4 192.168.30.0/24, aby w każdej
z nowopowstałych sieci było do wykorzystania dokładnie 30 adresów hostów?

Kategoria: Sieci komputerowe (SK)

Na którym domyślnym porcie działa serwer WWW stosujący domyślny protokół HTTPS w standardowej
konfiguracji?

Kategoria: Sieci komputerowe (SK)

Którą usługę należy uruchomić na ruterze, aby każda stacja robocza miała możliwość wymiany pakietów z siecią Internet w przypadku gdy do dyspozycji jest 5 adresów publicznych i aż 18 stacji roboczych?

Kategoria: Sieci komputerowe (SK)

Jak oznacza się na schematach sieci LAN punkty rozdzielcze (dystrybucyjne) znajdujące się na
poszczególnych piętrach budynku zgodnie z normą PN-EN 50173?

Kategoria: Sieci komputerowe (SK)

Jednym ze sposobów utrudnienia niepowołanym osobom dostępu do sieci bezprzewodowej jest

Kategoria: Urządzenia techniki komputerowej (UTK)

Podczas skanowania czarno-białego rysunku technicznego, z maksymalną rozdzielczością optyczną skanera,
na pochylonych i zaokrąglonych krawędziach są widoczne ułożone schodkowo piksele. Aby uzyskać lepszą
jakość skanowanego obrazu, należy użyć funkcji

Kategoria: Sieci komputerowe (SK)

Na ile równych podsieci należy podzielić sieć o adresie IPv4 192.168.30.0/24, aby w każdej z nowopowstałych sieci było do wykorzystania dokładnie 30 adresów hostów?

Kategoria: Sieci komputerowe (SK)

Narzędziem do monitorowania lokalnych sieci komputerowych jest

Kategoria: Systemy operacyjne (SO)

W systemie Linux, aby dopisać do pliku test.txt, bez utraty wcześniej zapisanych w nim danych, rezultat wykonania polecenia dir, należy użyć następującej składni

Kategoria: Systemy operacyjne (SO)

Które polecenie systemu Linux służy do wyświetlenia informacji o zainstalowanych podzespołach?

Kategoria: Urządzenia techniki komputerowej (UTK)

Aby uzyskać na ekranie monitora odświeżanie obrazu 85 razy w ciągu sekundy, trzeba w ciągu sekundy częstotliwość jego odświeżania ustawić na

Kategoria: Sieci komputerowe (SK)

Do której klasy adresów IPv4 należą adresy zawierające najbardziej znaczące dwa bity o wartości 10?

Kategoria: Sieci komputerowe (SK)

Które polecenie systemu z rodziny Windows pozwala sprawdzić, przechowywane w pamięci podręcznej
komputera, zapamiętane tłumaczenia nazw DNS na adresy IP?

Kategoria: Sieci komputerowe (SK)

Oznaczenie wtyku zwanego popularnie RJ45 to

Kategoria: Systemy operacyjne (SO)

W komputerze z zainstalowanym systemem Windows 10 nie można uruchomić systemu. Uszkodzeniu uległ główny rekord rozruchowy (MBR). Naprawa usterki bez reinstalacji systemu jest możliwa przy zastosowaniu narzędzia

Kategoria: Sieci komputerowe (SK)

Adresem rozgłoszeniowym (broadcast) dla hosta o adresie IP 192.168.35.202 z 26-bitową maską jest

Kategoria: Urządzenia techniki komputerowej (UTK)

Które peryferyjne urządzenie komputerowe jest stosowane do wycinania, drukowania i frezowania?

Kategoria: Sieci komputerowe (SK)

Aby komputery udostępniały swoje dane w sieci, nie mogą mieć przypisanych tych samych

Kategoria: Sieci komputerowe (SK)

Zestawienie połączenia między dwoma odległymi hostami, za pośrednictwem publicznej sieci, np. Internet, w taki sposób, że węzły tej sieci są przezroczyste dla przesyłanych w ten sposób pakietów, to

Kategoria: Sieci komputerowe (SK)

Znak towarowy dla certyfikowanych produktów opartych na standardach IEEE 802.11 to

Kategoria: Sieci komputerowe (SK)

Usługa serwerowa stosowana do automatycznej konfiguracji interfejsów sieciowych stacji klienckich to

Kategoria: Systemy operacyjne (SO)

Wskaż narzędzie systemu Windows 10, które zastosowane wraz z historią plików, umożliwia przywrócenie systemu operacyjnego po jego awarii do stanu, w jakim znajdował się przed awarią.

Kategoria: Systemy operacyjne (SO)

Oprogramowanie do wirtualizacji dostępne jako rola w systemie Windows Serwer 2019 to

Kategoria: Sieci komputerowe (SK)

Jednym ze sposobów utrudnienia niepowołanym osobom dostępu do sieci bezprzewodowej jest

Kategoria: Sieci komputerowe (SK)

Który protokół należy skonfigurować w przełączniku sieciowym, aby zapobiec zjawisku broadcast storm?

Kategoria: Urządzenia techniki komputerowej (UTK)

Organizacją publikującą dokumenty RFC (Request For Comments) regulujące rozwój Internetu jest

Kategoria: Systemy operacyjne (SO)

Aby odzyskać dane ze sformatowanego dysku twardego, należy wykorzystać program

Kategoria: Systemy operacyjne (SO)

Zamieszczony komunikat tekstowy wyświetlony na ekranie komputera z zainstalowanym systemem Windows wskazuje na

Kategoria: Sieci komputerowe (SK)

Za pomocą testów statycznych okablowania można zdiagnozować

Kategoria: Sieci komputerowe (SK)

W trakcie tworzenia projektu sieci komputerowej należy w pierwszej kolejności

Kategoria: Sieci komputerowe (SK)

W sieciach bezprzewodowych Ad-Hoc IBSS (Independent Basic Service Set) stosowana jest fizyczna topologia

Kategoria: Urządzenia techniki komputerowej (UTK)

Awaria laptopa objawiająca się zmienionymi kolorami lub brakiem jakiegoś koloru na ekranie może być
spowodowana uszkodzeniem

Kategoria: Sieci komputerowe (SK)

Znak towarowy dla certyfikowanych produktów opartych na standardach IEEE 802.11 to

Kategoria: Sieci komputerowe (SK)

Którym urządzeniem sieciowym należy zastąpić koncentrator, aby podzielić sieć LAN na oddzielne domeny kolizji?

Kategoria: Sieci komputerowe (SK)

Który z adresów protokołu IPv4 może być użyty do konfiguracji interfejsu serwera DNS zarejestrowanego w domenach regionalnych?

Kategoria: Sieci komputerowe (SK)

Zestawienie połączenia między dwoma odległymi hostami, za pośrednictwem publicznej sieci, np. Internet,
w taki sposób, że węzły tej sieci są przezroczyste dla przesyłanych w ten sposób pakietów, to

Kategoria: Systemy operacyjne (SO)

Który protokół służy do przesyłania plików na serwer?

Kategoria: Urządzenia techniki komputerowej (UTK)

Aby możliwe było przekierowanie drukowanego dokumentu na dysk twardy, należy w opcjach konfiguracyjnych drukarki wybrać drukowanie do portu

Kategoria: Sieci komputerowe (SK)

Którego parametru polecenia ping należy użyć, aby uzyskać taki wynik działania polecenia ping, jak przedstawiony na zrzucie ekranu?

Kategoria: Systemy operacyjne (SO)

Do sprawdzenia przedstawionej wydajności dysku twardego w systemie Linux należy użyć polecenia

Kategoria: Systemy operacyjne (SO)

Użytkownik systemu Linux chce wyszukać za pomocą polecenia konsoli pliki, które zawierają określony ciąg znaków. Do tego zadania może wykorzystać polecenie

Kategoria: Urządzenia techniki komputerowej (UTK)

Układ na karcie graficznej, którego zadaniem jest zamiana cyfrowego sygnału generowanego poprzez kartę na sygnał analogowy, który może być wyświetlony poprzez monitor to

Kategoria: Systemy operacyjne (SO)

Który plik wykorzystuje system Windows, przy hibernacji, do przechowywania kopii pamięci systemowej na dysku twardym?

Kategoria: Systemy operacyjne (SO)

Zrzut ekranowy przedstawia wynik wykonania w systemie z rodziny Windows Server polecenia

Kategoria: Systemy operacyjne (SO)

Jak nazywa się oprogramowanie serwerowe systemu Linux umożliwiające współpracę z grupą roboczą i domenami Windows?

Kategoria: Urządzenia techniki komputerowej (UTK)

Wykonaj konwersję liczy dziesiętnej 129(10) na postać binarną

Kategoria: Systemy operacyjne (SO)

Złośliwe oprogramowanie służące do rejestracji klawiszy naciskanych przez użytkownika systemu operacyjnego to

Kategoria: Sieci komputerowe (SK)

Strzałka na rysunku przedstawiającym schemat systemu sieciowego według normy PN-EN 50173 wskazuje okablowanie

Kategoria: Systemy operacyjne (SO)

Głównym celem realizowanej przez program antywirusowy funkcji ochrony przed ransomware jest zapewnienie zabezpieczenia systemu przed zagrożeniami

Kategoria: Systemy operacyjne (SO)

Narzędzie systemów z rodziny Windows stosowane do modyfikowania parametrów pracy interfejsów sieciowych, np. zmiana dynamicznej konfiguracji karty sieciowej na statyczną, to

Kategoria: Urządzenia techniki komputerowej (UTK)

W specyfikacji głośników komputerowych producent mógł podać informację, że maksymalne pasmo przenoszenia wynosi

Kategoria: Urządzenia techniki komputerowej (UTK)

Wskaż złącze, które należy wykorzystać do podłączenia wentylatora, którego parametry przedstawiono w tabeli.

Kategoria: Urządzenia techniki komputerowej (UTK)

Przed zakupem podzespołu zestawu komputerowego lub urządzenia peryferyjnego na aukcjach
internetowych, należy sprawdzić, czy kupowany sprzęt posiada wymagany w Polsce certyfikat

Kategoria: Sieci komputerowe (SK)

Jak oznaczona jest skrętka bez ekranu zewnętrznego z każdą parą w osobnym ekranie z folii?

Kategoria: Sieci komputerowe (SK)

Protokół służący do prowadzenia rozmów za pomocą konsoli tekstowej to

Kategoria: Sieci komputerowe (SK)

Stosowana w projektowaniu adresacji IPv4 technika VLSM pozwala na

Kategoria: Urządzenia techniki komputerowej (UTK)

Zdolność tworzenia strumienia elektromagnetycznego przez obwód zasilany prądem to

Kategoria: Sieci komputerowe (SK)

W projekcie sieci komputerowej jest zawarta informacja dotycząca korzystania z protokołów TCP oraz UDP.
W której warstwie modelu ISO/OSI są zdefiniowane te protokoły?

Kategoria: Sieci komputerowe (SK)

Wielkość grafiki JPEG umieszczonej na stronie internetowej może mieć wpływ na

Kategoria: Urządzenia techniki komputerowej (UTK)

Którego wkrętu należy użyć, aby zamocować napęd optyczny o szerokości 5,25” w obudowie wymagającej
przykręcania napędów?

Kategoria: Sieci komputerowe (SK)

Który z adresów protokołu IPv4 może być użyty do konfiguracji interfejsu serwera DNS zarejestrowanego w domenach regionalnych?

Kategoria: Systemy operacyjne (SO)

Pliki specjalne urządzeń, tworzone podczas instalacji sterowników w systemie Linux, są zapisywane w katalogu

Kategoria: Systemy operacyjne (SO)

Wynik którego polecenia systemu Windows przedstawiony jest na rysunku?

Kategoria: Systemy operacyjne (SO)

Której komendy wiersza polecań z opcji zaawansowanych naprawy systemu Windows należy użyć, aby naprawić uszkodzony MBR dysku?

Kategoria: Sieci komputerowe (SK)

Urządzeniem sieciowym drugiej warstwy modelu OSI, łączącym segmenty sieci oraz dokonującym filtrowania ruchu sieciowego, w którym podłączone sieci mogą korzystać z różnych fizycznych i logicznych protokołów łącza, jest

Kategoria: Sieci komputerowe (SK)

Ile komputerów można zaadresować w sieci z maską 255.255.255.224?

Kategoria: Sieci komputerowe (SK)

Które bity w 48 bitowym adresie sprzętowym MAC są identyfikatorem producenta?

Kategoria: Systemy operacyjne (SO)

Aby użytkownik systemu Linux mógł sprawdzić zawartość katalogu, wyświetlając pliki i katalogi, oprócz polecenia ls może skorzystać z polecenia

Kategoria: Sieci komputerowe (SK)

Którym akronimem jest oznaczony program do sporządzania graficznych wykresów ruchu, który odbywa się na interfejsach urządzeń sieciowych?

Kategoria: Sieci komputerowe (SK)

Parametr NEXT oznacza zakłócenie spowodowane wpływem pola elektromagnetycznego

Kategoria: Sieci komputerowe (SK)

Jednym z elementów konfiguracji sieci bezprzewodowej służącym zwiększeniu jej bezpieczeństwa jest włączenie szyfrowania danych. Który standard szyfrowania jest obecnie zalecany w sieciach bezprzewodowych?

Kategoria: Sieci komputerowe (SK)

W modelu ISO/OSI protokoły TCP i UDP pracują w warstwie

Kategoria: Sieci komputerowe (SK)

Komputery K1 i K2 nie mogą się komunikować. Adresacja urządzeń jest podana w tabeli. Co należy zmienić,
aby przywrócić komunikację w sieci?

Kategoria: Sieci komputerowe (SK)

Do sprawdzenia mapy połączeń kabla U/UTP Cat. 5e w okablowaniu strukturalnym należy użyć

Kategoria: Sieci komputerowe (SK)

Sieć VLAN można skonfigurować na

Kategoria: Systemy operacyjne (SO)

Natywnym menadżerem pakietów dla systemu Ubuntu jest

Kategoria: Sieci komputerowe (SK)

Znak towarowy dla certyfikowanych produktów opartych na standardach IEEE 802.11 to

Kategoria: Systemy operacyjne (SO)

Usługa serwerowa, która umożliwia udostępnianie linuksowych usług drukowania oraz serwera plików stacjom roboczym Windows, to

Kategoria: Systemy operacyjne (SO)

Którego parametru polecenia ping należy użyć, by uzyskać efekt przedstawiony na zrzucie ekranu

Kategoria: Sieci komputerowe (SK)

Które z poleceń systemu Windows należy zastosować, aby otrzymać wynik jak na przedstawionym rysunku?

Kategoria: Systemy operacyjne (SO)

Usterka objawiająca się zawieszaniem systemu operacyjnego podczas uruchamiania jest zwykle
spowodowana

Kategoria: Sieci komputerowe (SK)

Które urządzenie jest stosowane do mocowania kabla w module Keystone?

Kategoria: Sieci komputerowe (SK)

Zgodnie z normą PN-EN 50174 rozplot kabla UTP nie powinien być większy niż

Kategoria: Sieci komputerowe (SK)

Na przedstawionym rysunku urządzeniem, poprzez które połączone są komputery, jest

Kategoria: Systemy operacyjne (SO)

Oprogramowaniem typu Open Source pełniącym funkcję serwera WWW na różnych platformach systemowych, w tym systemach z rodziny Linux, jest

Kategoria: Systemy operacyjne (SO)

Do edycji plików konfiguracyjnych w systemie Linux można użyć polecenia

Kategoria: Urządzenia techniki komputerowej (UTK)

Głowica drukująca, składająca się z wielu dysz zintegrowanych z mechanizmem drukarki, wykorzystywana jest w drukarce

Kategoria: Urządzenia techniki komputerowej (UTK)

Papier termotransferowy to materiał eksploatacyjny stosowany w drukarkach

Kategoria: Systemy operacyjne (SO)

Podczas próby uzyskania połączenia z serwerem FTP uwierzytelnianie anonimowe nie powiodło się, natomiast próba autoryzacji przy pomocy loginu i hasła kończy się powodzeniem. Jaka jest możliwa przyczyna zaistniałej sytuacji?

Kategoria: Systemy operacyjne (SO)

Aby serwer Windows mógł zarządzać usługami katalogowymi, należy zainstalować

Kategoria: Sieci komputerowe (SK)

W trakcie tworzenia projektu sieci komputerowej należy w pierwszej kolejności

Kategoria: Systemy operacyjne (SO)

Który plik wykorzystuje system Windows, przy hibernacji, do przechowywania kopii pamięci systemowej na
dysku twardym?

Kategoria: Sieci komputerowe (SK)

Topologia fizyczna, w której wszystkie urządzenia sieciowe są podłączone do jednego urządzenia umieszczonego centralnie względem nich, to topologia

Kategoria: Systemy operacyjne (SO)

Wskaż nazwę programu stosowanego w systemie Linux do przekrojowego monitorowania parametrów, między innymi takich jak obciążenie sieci, zajętość systemu plików, statystyki partycji, obciążenie CPU czy statystyki IO.

Kategoria: Urządzenia techniki komputerowej (UTK)

Aby osiągnąć maksymalną wydajność, karta sieciowa w komputerze wykorzystuje transmisję szeregową

Kategoria: Sieci komputerowe (SK)

Do monitorowania stanu urządzeń w sieci jest stosowane oprogramowanie działające w oparciu o protokół

Kategoria: Systemy operacyjne (SO)

Do konfigurowania interfejsu sieciowego w systemie Linux jest stosowana komenda

Kategoria: Systemy operacyjne (SO)

Do mechanizmów zabezpieczeń systemu operacyjnego nie należy

Kategoria: Sieci komputerowe (SK)

Który z adresów jest adresem prywatnym IP?

Kategoria: Urządzenia techniki komputerowej (UTK)

Użytkownik posiada komputer o przedstawionej konfiguracji oraz system Windows 7 Professional 32bit.
Która z wersji modernizacji komputera nie przyniesie wzrostu wydajności?

Kategoria: Urządzenia techniki komputerowej (UTK)

Biernym elementem elektronicznym jest

Kategoria: Urządzenia techniki komputerowej (UTK)

Do bezprzewodowego przesyłania danych pomiędzy dwoma urządzeniami, z wykorzystaniem fal radiowych w paśmie ISM 2,4 GHz, służy interfejs

Kategoria: Sieci komputerowe (SK)

Organizacją publikującą dokumenty RFC (Request For Comments) regulujące rozwój Internetu jest

Kategoria: Sieci komputerowe (SK)

Przedstawione obszary sieci komputerowej powstałe po skonfigurowaniu rutera to domeny typu

Kategoria: Systemy operacyjne (SO)

Którym poleceniem systemu Linux można sprawdzić trasę pakietu do docelowego urządzenia?

Kategoria: Systemy operacyjne (SO)

Do monitorowania stanu dysków twardych służy program

Kategoria: Systemy operacyjne (SO)

Która z licencji umożliwia korzystanie przez każdego użytkownika z programu bez ograniczeń wynikających z autorskich praw majątkowych?

Kategoria: Systemy operacyjne (SO)

Które oprogramowanie można zastosować w celu poszukiwania błędów w układach pamięci operacyjnej RAM?

Kategoria: Sieci komputerowe (SK)

Która z par: protokół – warstwa, w której pracuje protokół, jest poprawnie połączona według modelu TCP/IP?

Kategoria: Urządzenia techniki komputerowej (UTK)

Wynikiem działania (10101101)(2) – (10100)(2) jest

Kategoria: Sieci komputerowe (SK)

Dyn, firma, której serwery DNS zaatakowano, przyznała, że część ataku …. nastąpiła za pomocą różnych
urządzeń połączonych z siecią. Ekosystem kamer, czujników, kontrolerów nazywany ogólnie Internetem
rzeczy został użyty przez przestępców jako botnet − sieć maszyn-zombie. Do tej pory taką rolę pełniły
głównie komputery.

Cytat opisuje atak typu

Kategoria: Systemy operacyjne (SO)

W systemie Linux poleceniem jednorazowo podnoszącym uprawnienia dla procesu uruchamianego z konsoli
jest

Kategoria: Systemy operacyjne (SO)

Która przystawka MMC systemu Windows umożliwia przegląd systemowego Dziennika zdarzeń?

Kategoria: Urządzenia techniki komputerowej (UTK)

Który z parametrów dysku twardego nie wpływa na jego wydajność?

Kategoria: Sieci komputerowe (SK)

Jeśli prędkość pobierania danych z sieci przez kartę sieciową wynosi 4 Mb/s, to plik o wielkości 2 MB
można pobrać w minimalnym czasie

Kategoria: Sieci komputerowe (SK)

Katalog Nakładów Rzeczowych przy projektowaniu sieci jest stosowany do

Kategoria: Sieci komputerowe (SK)

W adresacji IPv6 typowy podział długości związanej z adresem sieci i identyfikatorem hosta wynosi odpowiednio

Kategoria: Sieci komputerowe (SK)

Który standard specyfikacji IEEE 802.3 należy zastosować w środowisku, w którym występują zakłócenia
elektromagnetyczne, jeśli odległość od punktu dystrybucyjnego do punktu abonenckiego wynosi 200 m?

Kategoria: Sieci komputerowe (SK)

Pełna postać adresu IPv6 2001:0:db8::1410:80ab to

Kategoria: Systemy operacyjne (SO)

Do usunięcia elementu Wszystkie programy z prostego Menu Start systemu Windows należy wykorzystać przystawkę

Kategoria: Urządzenia techniki komputerowej (UTK)

Który z wymienionych elementów stanowi część mechanizmu drukarki atramentowej?

Kategoria: Systemy operacyjne (SO)

Narzędzie systemów z rodziny Windows stosowane do modyfikowania parametrów pracy interfejsów
sieciowych, np. zmiana dynamicznej konfiguracji karty sieciowej na statyczną, to

Kategoria: Sieci komputerowe (SK)

Które urządzenie sieciowe jest widoczne na zdjęciu?

Kategoria: Sieci komputerowe (SK)

W adresacji IPv6 typowy podział długości związanej z adresem sieci i identyfikatorem hosta wynosi
odpowiednio

Kategoria: Sieci komputerowe (SK)

Host automatycznie pobiera adres IP z serwera DHCP. W przypadku gdy serwer DHCP ulegnie uszkodzeniu, karcie sieciowej zostanie przypisany adres IP z zakresu

Kategoria: Urządzenia techniki komputerowej (UTK)

Wskaż procesor współpracujący z przedstawioną płytą główną.

Kategoria: Urządzenia techniki komputerowej (UTK)

Magistrala komunikacyjna PCI ver. 2.2 (Peripheral Component Interconnect) jest standardem magistrali, zgodnie z którym szyna danych ma maksymalną szerokość

Kategoria: Urządzenia techniki komputerowej (UTK)

W tablecie graficznym bez wyświetlacza pióro nie ustala położenia kursora ekranowego, można jedynie korzystać z jego końcówki do przesuwania kursora ekranowego oraz klikania. Wskaż możliwą przyczynę nieprawidłowej pracy urządzenia.

Kategoria: Systemy operacyjne (SO)

Aby umożliwić diagnozę systemu operacyjnego Windows oraz utworzyć plik zawierający listę wszystkich wczytywanych sterowników, należy uruchomić system w trybie

Kategoria: Urządzenia techniki komputerowej (UTK)

Przeznaczone do recyklingu odpady z tworzyw sztucznych pozostałe po naprawie komputera należy wyrzucać do pojemników oznaczonych kolorem

Kategoria: Sieci komputerowe (SK)

Simple Mail Transfer Protocol to protokół

Kategoria: Sieci komputerowe (SK)

Komputer, który uzyskuje adres IP, adres bramy i adresy serwerów DNS automatycznie, łączy się ze wszystkimi komputerami w sieci lokalnej przez adres IP. Komputer ten nie może się połączyć z żadnym hostem w sieci rozległej, ani przez adres URL, ani przez adres IP, co wskazuje na brak w sieci lub awarię

Kategoria: Sieci komputerowe (SK)

Jaka jest maksymalna liczba adresów hostów, które można wykorzystać w podsieci o adresie IPv4 172.16.0.0/22?

Kategoria: Sieci komputerowe (SK)

Jaki będzie koszt materiałów zużytych do wykonania 20 kabli typu patchcord o długości 50 cm?

Kategoria: Sieci komputerowe (SK)

Który standard specyfikacji IEEE 802.3 należy zastosować w środowisku, w którym występują zakłócenia elektromagnetyczne, jeśli odległość od punktu dystrybucyjnego do punktu abonenckiego wynosi 200 m?

Kategoria: Urządzenia techniki komputerowej (UTK)

Producent matrycy LCD zadeklarował jej zgodność z klasą II w oparciu o normę ISO 13406-2. Na podstawie
informacji zawartych w tabeli ustal, ile pikseli z defektem typu 3 musi pojawić się na matrycy
o rozdzielczości naturalnej 1280×800 pikseli, aby można ją było uznać za uszkodzoną?

Kategoria: Sieci komputerowe (SK)

Do połączenia ze sobą dwóch przełączników na odległość 200 m oraz aby zapewnić przepustowość
minimalną 200 Mbit/s, należy zastosować

Kategoria: Sieci komputerowe (SK)

Komputery K1 i K2 nie mogą się komunikować. Adresacja urządzeń jest podana w tabeli. Co należy zmienić, aby przywrócić komunikację w sieci?

Kategoria: Sieci komputerowe (SK)

Pierwsze znaki heksadecymalne adresu IPv6 typu link-local to

Kategoria: Sieci komputerowe (SK)

Wspomagający protokół kontrolny stosu TCP/IP, którego funkcją jest wykrywanie oraz dostarczanie informacji o awarii podczas pracy protokołu IP, to

Kategoria: Urządzenia techniki komputerowej (UTK)

Który z wymienionych interfejsów komputera wykorzystuje transmisję równoległą do przesyłania danych?

Kategoria: Sieci komputerowe (SK)

Jakie jest zastosowanie noża uderzeniowego?

Kategoria: Sieci komputerowe (SK)

Urządzenie przedstawione na rysunku jest stosowane do

Kategoria: Urządzenia techniki komputerowej (UTK)

Diagnozowanie uszkodzonych komponentów komputera przez sprawdzenie stanu wyjściowego układu cyfrowego umożliwia

Kategoria: Systemy operacyjne (SO)

Głównie które aktualizacje zostaną zainstalowane po kliknięciu na przycisk OK prezentowany na zrzucie ekranu?

Kategoria: Sieci komputerowe (SK)

Przedstawiony obraz zawiera fragment wyniku działania polecenia

Kategoria: Sieci komputerowe (SK)

W trakcie obserwacji pakietów za pomocą sniffera zauważono, że urządzenia komunikują się na portach 20 oraz 21. Oznacza to, zakładając domyślną konfigurację, że obserwowanym protokołem jest protokół

Kategoria: Systemy operacyjne (SO)

Aby uruchomić konsolę przedstawioną na rysunku, należy wpisać w wierszu poleceń

Kategoria: Sieci komputerowe (SK)

Wynik wykonania którego polecenia sieciowego systemu z rodziny Windows jest przedstawiony na rysunku?

Kategoria: Sieci komputerowe (SK)

Zakres adresów IPv4 224.0.0.0 ÷ 239.255.255.255 jest przeznaczony do transmisji typu

Kategoria: Sieci komputerowe (SK)

Ile punktów rozdzielczych, według normy PN-EN 50174, powinno znajdować się w 3-kondygnacyjnym budynku, jeżeli powierzchnia każdej kondygnacji wynosi około 800 m2?

Kategoria: Sieci komputerowe (SK)

Komputery K1 i K2 nie mogą się komunikować. Adresacja urządzeń jest podana w tabeli. Co należy zmienić, aby przywrócić komunikację w sieci?

Kategoria: Sieci komputerowe (SK)

Pełna postać adresu IPv6 2001:0:db8::1410:80ab to

Kategoria: Sieci komputerowe (SK)

Wskaż prefiks identyfikujący adresy typu globalnego w protokole IPv6

Kategoria: Urządzenia techniki komputerowej (UTK)

Wskaż urządzenie, które należy wykorzystać do połączenia drukarki wyposażonej w interfejs Wi-Fi z komputerem stacjonarnym bez interfejsu Wi-Fi, ale z interfejsem USB.

Kategoria: Sieci komputerowe (SK)

Rysunek przedstawia topologię

Kategoria: Urządzenia techniki komputerowej (UTK)

Typowe napięcie zasilania modułów pamięci RAM DDR4 wynosi

Kategoria: Systemy operacyjne (SO)

Które z poleceń systemu Windows należy zastosować, aby otrzymać wynik jak na przedstawionym rysunku?

Kategoria: Sieci komputerowe (SK)

Program Wireshark jest stosowany do

Kategoria: Sieci komputerowe (SK)

Podczas próby uzyskania połączenia z serwerem FTP uwierzytelnianie anonimowe nie powiodło się,
natomiast próba autoryzacji przy pomocy loginu i hasła kończy się powodzeniem. Jaka jest możliwa
przyczyna zaistniałej sytuacji?

Kategoria: Sieci komputerowe (SK)

Na rysunku jest przedstawiony komunikat pojawiający się po wpisaniu adresu IP podczas konfiguracji
połączenia sieciowego na komputerze. Adres IP wprowadzony przez administratora jest adresem IP

Kategoria: Systemy operacyjne (SO)

W wierszu poleceń systemu Windows do zarządzania ustawieniami konta użytkownika komputera, takimi jak
okres ważności hasła, minimalna długość hasła i czas blokady konta, służy polecenie

Kategoria: Sieci komputerowe (SK)

W trakcie obserwacji pakietów za pomocą sniffera zauważono, że urządzenia komunikują się na portach 20 oraz 21. Oznacza to, zakładając domyślną konfigurację, że obserwowanym protokołem jest protokół

Kategoria: Urządzenia techniki komputerowej (UTK)

Do organizacji przewodów wewnątrz jednostki centralnej można wykorzystać

Kategoria: Systemy operacyjne (SO)

Jeśli prędkość pobierania danych z sieci przez kartę sieciową wynosi 4 Mb/s, to plik o wielkości 2 MB można pobrać w czasie

Kategoria: Sieci komputerowe (SK)

Narzędziem do monitorowania lokalnych sieci komputerowych jest

Kategoria: Urządzenia techniki komputerowej (UTK)

Wskaż złącze, którego należy użyć w celu poprawnego podłączenia monitora do jednostki centralnej, wyposażonej w wymagane przez monitor porty.

Kategoria: Systemy operacyjne (SO)

Protokołem komunikacyjnym warstwy aplikacji wykorzystującym standardowo port 443 jest

Kategoria: Systemy operacyjne (SO)

Jak nazywa się oprogramowanie serwerowe systemu Linux umożliwiające współpracę z grupą
roboczą i domenami Windows?

Kategoria: Urządzenia techniki komputerowej (UTK)

Czynność pokazana na rysunkach ilustruje mocowanie

Kategoria: Systemy operacyjne (SO)

Aby w edytorze Regedit przywrócić stan rejestru systemowego za pomocą wcześniej utworzonej kopii zapasowej, należy użyć funkcji

Kategoria: Sieci komputerowe (SK)

Pełna postać adresu IPv6 2001:0:db8::1410:80ab to

Kategoria: Sieci komputerowe (SK)

Na podstawie zrzutu ekranu wskaż, który adres należy zmienić w konfiguracji klienta lub serwera, aby komputer można było podłączyć do domeny?

Kategoria: Sieci komputerowe (SK)

Z jaką prędkością realizowana jest transmisja danych w standardzie 1000Base-T?

Kategoria: Sieci komputerowe (SK)

Do monitorowania stanu urządzeń w sieci jest stosowane oprogramowanie działające w oparciu o protokół

Kategoria: Urządzenia techniki komputerowej (UTK)

Karty dźwiękowe nie zawierają modułu funkcjonalnego oznaczonego skrótem

Kategoria: Sieci komputerowe (SK)

Na rysunku jest przedstawiony symbol graficzny

Kategoria: Urządzenia techniki komputerowej (UTK)

W którym modelu płyty głównej można zamontować procesor o podanych parametrach?

Kategoria: Sieci komputerowe (SK)

Komputer ma pracować w sieci lokalnej o adresie 172.16.0.0/16 i łączyć się z Internetem. Który element konfiguracji karty sieciowej został wpisany nieprawidłowo?

Kategoria: Systemy operacyjne (SO)

Aby uruchomić przedstawione narzędzie systemu Windows, należy użyć polecenia

Kategoria: Sieci komputerowe (SK)

ARP (Address Resolution Protocol) jest protokołem umożliwiającym translację

Kategoria: Sieci komputerowe (SK)

Który skrót oznacza osobistą sieć komputerową?

Kategoria: Systemy operacyjne (SO)

Wynik którego polecenia systemu Windows przedstawiony jest na rysunku?

Kategoria: Sieci komputerowe (SK)

Zgodnie ze standardem EIA/TIA T568B żyły pary odbiorczej skrętki pokryte są materiałem izolacyjnym w kolorze

Kategoria: Systemy operacyjne (SO)

Listę wszystkich założonych kont użytkowników w systemie Linux można wyświetlić poleceniem

Kategoria: Sieci komputerowe (SK)

W wyniku uszkodzenia kabla typu skrętka utracono połączenie między przełącznikiem a stacją roboczą. Który przyrząd pomiarowy należy zastosować aby zlokalizować i usunąć usterkę bez wymiany całego kabla?

Kategoria: Urządzenia techniki komputerowej (UTK)

W przypadku zalania układu elektronicznego klawiatury słodkim napojem należy natychmiast odłączyć ją od zestawu komputerowego, a następnie

Kategoria: Sieci komputerowe (SK)

Jaka jest długość maski sieci w adresach klasy B?

Kategoria: Sieci komputerowe (SK)

Strzałka na rysunku przedstawiającym schemat systemu sieciowego według normy PN-EN 50173 wskazuje
okablowanie

Kategoria: Urządzenia techniki komputerowej (UTK)

Wynikiem działania przedstawionego układu logicznego po podaniu na wejściach A i B sygnałów logicznych
A=1 i B=1 są wartości logiczne:

Kategoria: Urządzenia techniki komputerowej (UTK)

Która z bramek realizuje operację różnicy symetrycznej?

Kategoria: Sieci komputerowe (SK)

Wynik wykonania którego polecenia sieciowego systemu z rodziny Windows jest przedstawiony na rysunku?

Kategoria: Urządzenia techniki komputerowej (UTK)

Nowe podzespoły komputerowe, np. dyski twarde, karty graficzne, są pakowane w metalizowane
opakowania foliowe, których głównym zadaniem jest ochrona

Kategoria: Systemy operacyjne (SO)

Oprogramowanie, które wymaga wyrażenia zgody na emisję reklam lub wykupienia pełnej licencji, aby
wyłączyć reklamy, jest rozpowszechniane na licencji

Kategoria: Sieci komputerowe (SK)

Rekord typu A serwera DNS

Kategoria: Urządzenia techniki komputerowej (UTK)

Licencja na oprogramowanie systemu bankowości, przeznaczona tylko dla jednego z działających w Polsce banków, powiązana z umową podpisaną z firmą wykonującą oprogramowanie, to licencja

Kategoria: Sieci komputerowe (SK)

Rysunek przedstawia topologię

Kategoria: Systemy operacyjne (SO)

Do wyświetlenia w systemie Linux listy wszystkich uruchomionych procesów, a nie tylko tych, których
użytkownik jest właścicielem, można użyć polecenia ps z parametrem

Kategoria: Systemy operacyjne (SO)

Na zrzucie ekranowym jest przedstawiona konfiguracja zasad haseł w zasadach grup systemu Windows. Która z opcji zostanie wdrożona w tej konfiguracji?

Kategoria: Sieci komputerowe (SK)

Który kabel umożliwia transmisję danych z maksymalną prędkością transmisji wynoszącą 1 Gb/s?

Kategoria: Sieci komputerowe (SK)

Wskaż najnowszy standard szyfrowania danych w sieciach bezprzewodowych.

Kategoria: Systemy operacyjne (SO)

Aby serwer Windows mógł zarządzać usługami katalogowymi, należy zainstalować

Kategoria: Urządzenia techniki komputerowej (UTK)

W wyniku uszkodzenia kabla typu skrętka utracono połączenie między przełącznikiem a stacją roboczą. Który
przyrząd pomiarowy należy zastosować, aby zlokalizować i usunąć usterkę bez wymiany całego kabla?

Kategoria: Systemy operacyjne (SO)

Zmianę hasła użytkownika egzamin w systemie Linux umożliwia polecenie

Kategoria: Sieci komputerowe (SK)

Ile maksymalnie komputerów można zaadresować adresami sieci IP z klasy C?

Kategoria: Urządzenia techniki komputerowej (UTK)

Którym skrótem na schemacie logicznym sieci jest oznaczany element okablowania strukturalnego określany jako punkt, w którym są zakończone budynkowe kable szkieletowe?

Kategoria: Systemy operacyjne (SO)

Jakie przeznaczenie w systemie Linux ma partycja /var?

Kategoria: Systemy operacyjne (SO)

Użytkownik ma problem z rozruchem systemu Windows. Aby to naprawić, uruchomił narzędzie System
Image Recovery, które

Kategoria: Systemy operacyjne (SO)

Który rodzaj kopii bezpieczeństwa należy zastosować w celu archiwizacji wszystkich danych, niezależnie od czasu kiedy były archiwizowane po raz ostatni?

Kategoria: Sieci komputerowe (SK)

Translacja adresów sieciowych jest oznaczona skrótem

Kategoria: Systemy operacyjne (SO)

Otwarty (Open Source) serwer WWW, dostępny dla wielu systemów operacyjnych, to

Kategoria: Sieci komputerowe (SK)

Adresem rozgłoszeniowym (broadcast) dla hosta o adresie IP 192.168.35.202 z 26 – bitową maską jest

Kategoria: Systemy operacyjne (SO)

Aby w systemie Windows ustawić właściwości wszystkich zainstalowanych urządzeń lub wyświetlić ich listę, należy użyć narzędzia

Kategoria: Sieci komputerowe (SK)

Rysunek przedstawia topologię

Kategoria: Sieci komputerowe (SK)

Który z adresów IPv4 jest adresem publicznym?

Kategoria: Sieci komputerowe (SK)

Ile domen kolizyjnych i rozgłoszeniowych jest widocznych na schemacie?

Kategoria: Sieci komputerowe (SK)

Aby komputery udostępniały swoje dane w sieci, nie mogą mieć przypisanych tych samych

Kategoria: Urządzenia techniki komputerowej (UTK)

Notacja #108 oznacza zapis liczby w systemie

Kategoria: Sieci komputerowe (SK)

Sieć o adresie IP 192.168.2.0/24 podzielono na 8 podsieci. Wskaż maskę dla nowych podsieci?

Kategoria: Urządzenia techniki komputerowej (UTK)

Sygnał sterujący wysyłany przez procesor, umożliwiający zapis do urządzeń wejścia – wyjścia, został na schemacie oznaczony numerem

Kategoria: Systemy operacyjne (SO)

Po zainstalowaniu systemu Linux Ubuntu obok systemu Windows, aby skonfigurować czas wyświetlania menu wyboru systemów, można zmodyfikować plik

Kategoria: Sieci komputerowe (SK)

Który protokół zostanie zastosowany przez administratora w celu zamieszczenia plików na serwerze?

Kategoria: Systemy operacyjne (SO)

Kiedy wygasa autorskie prawo majątkowe dotyczące programu komputerowego, stworzonego przez kilku programistów, którzy jako jego autorzy podpisali aplikację swoimi imionami i nazwiskami?

Kategoria: Systemy operacyjne (SO)

Które polecenie systemu Linux umożliwia wyszukanie w zawartości pliku linii zawierających określony
ciągu znaków?

Kategoria: Systemy operacyjne (SO)

Do wykonania kopii danych na dysku USB w systemie Linux stosuje się polecenie

Kategoria: Sieci komputerowe (SK)

Z którego numeru portu korzysta usługa FTP do przesyłania poleceń?

Kategoria: Systemy operacyjne (SO)

Do monitorowania aktywnych połączeń sieciowych w systemie Windows służy polecenie

Kategoria: Urządzenia techniki komputerowej (UTK)

Narzędziem stosowanym do osadzania w trudno dostępnych miejscach niewielkich rozmiarowo elementów, takich jak na przykład zworki, jest

Kategoria: Systemy operacyjne (SO)

Jakie przeznaczenie w systemie Linux ma partycja /var?

Kategoria: Sieci komputerowe (SK)

Protokół, dzięki któremu po połączeniu z serwerem pocztowym transmitowane są na komputer jedynie same nagłówki wiadomości, a transmisja treści oraz załączników następuje dopiero po otwarciu danego listu, to

Kategoria: Systemy operacyjne (SO)

W systemie Windows, aby zmienić system plików FAT32 na NTFS, należy użyć polecenia

Kategoria: Sieci komputerowe (SK)

Wskaż najlepszą trasę sumaryczną dla podsieci IPv4:

Kategoria: Systemy operacyjne (SO)

Który z programów nie jest stosowany do zdalnego zarządzania komputerami w sieci?

Kategoria: Urządzenia techniki komputerowej (UTK)

Który typ portu może być użyty do podłączenia dysku zewnętrznego do laptopa?

Kategoria: Sieci komputerowe (SK)

W jakim celu należy uaktywnić w przełączniku funkcję RMON (Remote Network Monitoring)?

Kategoria: Systemy operacyjne (SO)

Usługa serwerowa, która umożliwia udostępnianie linuksowych usług drukowania oraz serwera plików
stacjom roboczym Windows, to

Kategoria: Urządzenia techniki komputerowej (UTK)

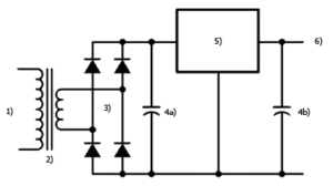
Na schemacie blokowym przedstawiającym zasadę działania zasilacza liniowego numerem 5) oznaczono

Kategoria: Urządzenia techniki komputerowej (UTK)

Jednostką pojemności elektrycznej jest

Kategoria: Urządzenia techniki komputerowej (UTK)

Przedstawiona czynność jest związana z eksploatacją drukarki

Kategoria: Urządzenia techniki komputerowej (UTK)

Aby wykonać „naprasowankę” z własnym zdjęciem na koszulkę bawełnianą przy użyciu drukarki
atramentowej, należy użyć papieru typu

Kategoria: Systemy operacyjne (SO)

Który format pliku pozwala na rejestrację zdjęć aparatem cyfrowym o najwyższej wierności odwzorowania obrazu oraz umożliwia dokładną obróbkę tego pliku na komputerze?

Kategoria: Sieci komputerowe (SK)

Którym akronimem jest oznaczony przenik zbliżny skrętki teleinformatycznej?

Kategoria: Sieci komputerowe (SK)

Urządzeniem, które umożliwia komputerom bezprzewodowy dostęp do przewodowej sieci komputerowej, jest

Kategoria: Sieci komputerowe (SK)

Na podstawie zrzutu ekranu wskaż, który adres należy zmienić w konfiguracji klienta lub serwera, aby komputer można było podłączyć do domeny?

Kategoria: Urządzenia techniki komputerowej (UTK)

Liczba (AB)16 zapisana w systemie dziesiętnym ma wartość

Kategoria: Urządzenia techniki komputerowej (UTK)

Moc pobierana przez zasilacz jest równa jednemu watowi, jeżeli praca o wartości jednego dżula zostanie
wykonana w czasie jednej

Kategoria: Sieci komputerowe (SK)

Typ transmisji danych do jednego bądź kilku komputerów w jednej chwili, w której odbiorcy są widziani dla
nadawcy jako pojedynczy grupowy odbiorca, to

Kategoria: Sieci komputerowe (SK)

Wskaż prefiks identyfikujący adresy typu globalnego w protokole IPv6

Kategoria: Urządzenia techniki komputerowej (UTK)

Wykonaj konwersję liczby dziesiętnej 129(10) na postać binarną

Kategoria: Urządzenia techniki komputerowej (UTK)

Do konserwacji elementów łożyskowanych oraz ślizgowych w urządzeniach peryferyjnych stosuje się

Kategoria: Sieci komputerowe (SK)

Do sprawdzenia mapy połączeń kabla U/UTP Cat. 5e w okablowaniu strukturalnym należy użyć

Kategoria: Sieci komputerowe (SK)

Zgodnie z normą TIA/EIA-568-B.1 kabel UTP 5e z przeplotem jest tworzony poprzez zamianę ułożenia we wtyczce 8P8C następujących par przewodów (odpowiednio według kolorów):

Kategoria: Sieci komputerowe (SK)

Ile domen kolizyjnych i rozgłoszeniowych jest widocznych na schemacie?

Kategoria: Urządzenia techniki komputerowej (UTK)

Przedstawiony zestaw komputerowy jest niekompletny. Który element nie został uwzględniony w tabeli,
a jest niezbędny do prawidłowego działania zestawu?

Kategoria: Sieci komputerowe (SK)

Adresem IPv4 urządzenia pracującego w sieci 10.100.0.0/18 jest

Kategoria: Sieci komputerowe (SK)

Do której klasy adresów IPv4 należą adresy zawierające najbardziej znaczące dwa bity o wartości 10?

Kategoria: Systemy operacyjne (SO)

W systemie Linux, aby dopisać do pliku test.txt, bez utraty wcześniej zapisanych w nim danych, rezultat
wykonania polecenia dir, należy użyć następującej składni

Kategoria: Systemy operacyjne (SO)

Które zdanie dotyczące tablicy partycji GUID (GPT) jest prawdziwe?

Kategoria: Urządzenia techniki komputerowej (UTK)

Który zasilacz należy zastosować dla przedstawionego zestawu komputerowego, uwzględniając co najmniej 20% rezerwy poboru mocy?

Kategoria: Sieci komputerowe (SK)

Które z komputerów o adresach IPv4 przedstawionych w tabeli należą do tej samej sieci?

Kategoria: Urządzenia techniki komputerowej (UTK)

Który z wymienionych interfejsów należy wybrać do podłączenia dysku SSD do płyty głównej komputera stacjonarnego, aby uzyskać największą prędkość zapisu i odczytu danych?

Kategoria: Sieci komputerowe (SK)

Zakres adresów IPv4 224.0.0.0 ÷ 239.255.255.255 jest przeznaczony do transmisji typu

Kategoria: Sieci komputerowe (SK)

Host automatycznie pobiera adres IP z serwera DHCP. W przypadku gdy serwer DHCP ulegnie uszkodzeniu, karcie sieciowej zostanie przypisany adres IP z zakresu

Kategoria: Sieci komputerowe (SK)

Zgodnie z normą PN-EN 50174 rozplot kabla UTP nie powinien być większy niż

Kategoria: Systemy operacyjne (SO)

Oprogramowanie do wirtualizacji dostępne jako rola w systemie Windows Serwer 2019 to

Kategoria: Sieci komputerowe (SK)

W modelu ISO/OSI protokoły TCP i UDP pracują w warstwie

Kategoria: Urządzenia techniki komputerowej (UTK)

Do zasilania niektórych kart graficznych wymagane jest dodatkowe 6-pinowe złącze zasilacza PCI-E, które
doprowadza napięcia

Kategoria: Sieci komputerowe (SK)

Która usługa działa na porcie 3389?

Kategoria: Sieci komputerowe (SK)

Który protokół rutingu dynamicznego został zaprojektowany jako protokół bramy zewnętrznej służący do łączenia ze sobą różnych dostawców usług internetowych?

Kategoria: Systemy operacyjne (SO)

Oprogramowaniem typu Open Source pełniącym funkcję serwera WWW na różnych platformach
systemowych, w tym systemach z rodziny Linux, jest

Kategoria: Sieci komputerowe (SK)

Zgodnie z normą TIA/EIA-568-B.1 kabel UTP 5e z przeplotem jest tworzony poprzez zamianę ułożenia we wtyczce 8P8C następujących par przewodów (odpowiednio według kolorów):

Kategoria: Sieci komputerowe (SK)

Który standard specyfikacji IEEE 802.3 należy zastosować w środowisku, w którym występują zakłócenia elektromagnetyczne, jeśli odległość od punktu dystrybucyjnego do punktu abonenckiego wynosi 200 m?

Kategoria: Sieci komputerowe (SK)

Drukarka posiada stały adres IP 172.16.0.101 z maską 255.255.255.0. Który adres IP powinien być
przypisany do komputera, aby była możliwa komunikacja z drukarką w sieci lokalnej?

Kategoria: Sieci komputerowe (SK)

Punkty abonenckie rozmieszczone są równomiernie, do połączenia z najbliższym punktem potrzeba 4 m kabla, a z najdalszym – 22 m. Koszt zakupu 1 m kabla to 1 zł. Ile wyniesie minimalny koszt zakupu kabla UTP do połączenia 10 podwójnych gniazd abonenckich z punktem dystrybucyjnym?

Kategoria: Sieci komputerowe (SK)

Komputery K1, K2, K3, K4 są podłączone do interfejsów przełącznika przypisanych do VLAN-ów podanych w tabeli. Które komputery mogą się ze sobą komunikować?

Kategoria: Sieci komputerowe (SK)

Który protokół nie funkcjonuje w warstwie aplikacji modelu ISO/OSI?

Kategoria: Sieci komputerowe (SK)

Urządzeniem, które umożliwia komputerom bezprzewodowy dostęp do przewodowej sieci komputerowej, jest

Kategoria: Sieci komputerowe (SK)

Przedstawiona ilustracja zawiera fragment wyniku działania polecenia

Kategoria: Systemy operacyjne (SO)

Profil użytkownika systemu Windows Serwer, który po wylogowaniu nie zapisuje zmian na serwerze i stacji
roboczej oraz jest usuwany pod koniec każdej sesji, to profil

Kategoria: Urządzenia techniki komputerowej (UTK)

Podczas pracy komputera nastąpił samoczynny twardy reset. Przyczyną resetu najprawdopodobniej jest

Kategoria: Systemy operacyjne (SO)

Aby zabezpieczyć komunikację terminalową z serwerem, należy użyć połączenia z wykorzystaniem protokołu

Kategoria: Sieci komputerowe (SK)

Szyfrowane połączenie terminalowe ze zdalnym komputerem w sieci lokalnej jest możliwe za pomocą protokołu

Kategoria: Sieci komputerowe (SK)

Które urządzenie sieciowe umożliwi zamianę sygnału przesyłanego analogową linią telefoniczną na sygnał cyfrowy komputerowej sieci lokalnej?

Kategoria: Sieci komputerowe (SK)

Do której klasy adresów IPv4 należą adresy zawierające najbardziej znaczące dwa bity o wartości 10?

Kategoria: Urządzenia techniki komputerowej (UTK)

Która z wymienionych czynności konserwacyjnych drukarek dotyczy tylko drukarki atramentowej?

Kategoria: Systemy operacyjne (SO)

Natywnym menadżerem pakietów dla systemu Ubuntu jest

Kategoria: Sieci komputerowe (SK)

Katalog Nakładów Rzeczowych przy projektowaniu sieci jest stosowany do

Kategoria: Urządzenia techniki komputerowej (UTK)

Aby zwiększyć wydajność komputera w grach, karta graficzna Sapphire Radeon R9 FURY OC, 4GB HBM
(4096 Bit), HDMI, DVI, 3xDP została wyposażona w technologię

Kategoria: Systemy operacyjne (SO)

Na obrazie przedstawiono menu programu GRUB. Którą opcję należy skonfigurować w pliku grub, aby
domyślnie jako pierwszy był uruchomiony system Windows?

Kategoria: Sieci komputerowe (SK)

Urządzenie przedstawione na rysunku jest stosowane do

Kategoria: Systemy operacyjne (SO)

W systemie Linux program top umożliwia

Kategoria: Systemy operacyjne (SO)

Profil użytkownika systemu Windows Serwer, który po wylogowaniu nie zapisuje zmian na serwerze i stacji roboczej oraz jest usuwany pod koniec każdej sesji, to profil

Kategoria: Urządzenia techniki komputerowej (UTK)

Ze schematu umieszczonego w dokumentacji płyty głównej wynika, że jest ona wyposażona

Kategoria: Sieci komputerowe (SK)

Aby zabezpieczyć komunikację terminalową z serwerem, należy użyć połączenia z wykorzystaniem
protokołu

Kategoria: Systemy operacyjne (SO)

Aby podczas pracy użytkownika system Windows nie restartował się w związku z instalacją pobranych aktualizacji, należy w Windows Update skonfigurować

Kategoria: Systemy operacyjne (SO)

W systemach z rodziny Windows Server usługa serwera FTP jest definiowana w

Kategoria: Systemy operacyjne (SO)

Dyn, firma, której serwery DNS zaatakowano, przyznała, że część ataku …. nastąpiła za pomocą różnych urządzeń połączonych z siecią. Ekosystem kamer, czujników, kontrolerów nazywany ogólnie „Internetem rzeczy” został użyty przez przestępców jako botnet − sieć maszyn-zombie. Do tej pory taką rolę pełniły głównie komputery. Cytat opisuje atak typu

Kategoria: Systemy operacyjne (SO)

Narzędziem do monitorowania zdarzeń w systemie Windows jest

Kategoria: Sieci komputerowe (SK)

Urządzenie sieciowe Hub jest nazywane

Kategoria: Systemy operacyjne (SO)

Jakie działanie powinien wykonać użytkownik, aby usunąć błąd oznaczony na rysunku ramką?

Kategoria: Sieci komputerowe (SK)

Protokół, zapewniający wyświetlanie stron www w przeglądarce internetowej za pomocą połączenia szyfrowanego, to

Kategoria: Urządzenia techniki komputerowej (UTK)

Podzespołem kompatybilnym z przedstawionym kontrolerem jest

Kategoria: Urządzenia techniki komputerowej (UTK)

Wynikiem działania przedstawionej funkcji logicznej jest wyrażenie

Kategoria: Sieci komputerowe (SK)

Szyfrowane połączenie terminalowe ze zdalnym komputerem w sieci lokalnej jest możliwe za pomocą
protokołu

Kategoria: Sieci komputerowe (SK)

Które urządzenie jest stosowane do mocowania kabla w module Keystone?

Kategoria: Sieci komputerowe (SK)

Host automatycznie pobiera adres IP z serwera DHCP. W przypadku gdy serwer DHCP ulegnie uszkodzeniu,
karcie sieciowej zostanie przypisany adres IP z zakresu

Kategoria: Urządzenia techniki komputerowej (UTK)

Mysz komputerowa z interfejsem bluetooth działającym w klasie 2 ma teoretyczny zasięg działania do

Kategoria: Sieci komputerowe (SK)

ARP (Address Resolution Protocol) jest protokołem umożliwiającym translację

Kategoria: Sieci komputerowe (SK)

Który z adresów jest adresem hosta należącego do sieci 10.128.0.0/10?

Kategoria: Sieci komputerowe (SK)

Który protokół nie funkcjonuje w warstwie aplikacji modelu ISO/OSI?

Kategoria: Sieci komputerowe (SK)

Jaka jest wartość dopuszczalnej długości kabla typu skrętka pomiędzy panelem krosowniczym a gniazdem
abonenckim według normy PN-EN 50174-2?

Kategoria: Systemy operacyjne (SO)

Aby w systemie Windows 10 wykonać przedstawioną konfigurację słuchawek w Panelu sterowania, należy użyć apletu

Kategoria: Urządzenia techniki komputerowej (UTK)

Którym symbolem należy opatrzyć sprzęt komputerowy spełniający wymagania prawne umożliwiające jego sprzedaż w Unii Europejskiej?

Kategoria: Systemy operacyjne (SO)

Rodzajem złośliwego oprogramowania będącego programem rezydentnym, który działa, wykonując konkretną operację, nie powiela się przez sieć, a jedną z jego metod jest samoreplikacja aż do wyczerpania pamięci komputera, jest

Kategoria: Sieci komputerowe (SK)

Komputery K1, K2, K3, K4 są podłączone do interfejsów przełącznika przypisanych do VLAN-ów podanych w tabeli. Które komputery mogą się ze sobą komunikować?

Kategoria: Sieci komputerowe (SK)

Urządzenie przedstawione na rysunku jest stosowane w celu

Kategoria: Sieci komputerowe (SK)

Typ transmisji danych do jednego bądź kilku komputerów w jednej chwili, w której odbiorcy są widziani dla nadawcy jako pojedynczy grupowy odbiorca, to

Kategoria: Systemy operacyjne (SO)

Które oprogramowanie można zastosować w celu poszukiwania błędów w układach pamięci operacyjnej RAM?

Kategoria: Systemy operacyjne (SO)

W systemie Windows, aby zmienić system plików FAT32 na NTFS, należy użyć polecenia

Kategoria: Urządzenia techniki komputerowej (UTK)

Urządzeniem peryferyjnym wykorzystywanym w fabrykach odzieżowych do wycinania elementów ubrań jest ploter

Kategoria: Sieci komputerowe (SK)

Które narzędzie jest stosowane do mocowania kabla w module Keystone?

Kategoria: Systemy operacyjne (SO)

Z przedstawionego zrzutu wynika, że za pomocą przeglądarki internetowej wykonano pomiar

Kategoria: Systemy operacyjne (SO)

Do wyświetlenia w systemie Linux listy wszystkich uruchomionych procesów, a nie tylko tych, których użytkownik jest właścicielem, można użyć polecenia ps z parametrem

Kategoria: Sieci komputerowe (SK)

Flaga ACK wysyłana w ramach protokołu TCP jest wykorzystywana do

Kategoria: Sieci komputerowe (SK)

Program Wireshark jest stosowany do

Kategoria: Urządzenia techniki komputerowej (UTK)

Przedstawiony moduł pamięci należy zamontować na płycie głównej w gnieździe

Kategoria: Systemy operacyjne (SO)

Otwarty (Open Source) serwer WWW, dostępny dla wielu systemów operacyjnych, to

Kategoria: Urządzenia techniki komputerowej (UTK)

Aby komputer osobisty współpracował z urządzeniami korzystającymi z przedstawionych na rysunku złącz, należy wyposażyć go w interfejs

Kategoria: Sieci komputerowe (SK)

Którym akronimem jest oznaczony przenik zbliżny skrętki teleinformatycznej?

Kategoria: Urządzenia techniki komputerowej (UTK)

Najlepszym narzędziem służącym do podgrzania znajdującego się na karcie graficznej elementu SMD, który ma zostać usunięty, jest

Kategoria: Systemy operacyjne (SO)

Aby zabezpieczyć zawartość komputera pracującego pod kontrolą systemu Windows, można zaszyfrować katalogi poleceniem

Kategoria: Systemy operacyjne (SO)

Przedstawiony zapis jest umieszczony na końcu pliku smb.conf. W wyniku jego działania podczas konfiguracji usług zainstalowanych w systemie Linux jest

Kategoria: Systemy operacyjne (SO)

Atrybut SN występujący w pliku schematów core.schema w OpenLDAP oznacza

Kategoria: Systemy operacyjne (SO)

W systemie Windows konfigurację opcji rozruchu systemu umożliwia polecenie

Kategoria: Sieci komputerowe (SK)

Która warstwa modelu ISO/OSI definiuje protokół IP (Internet Protocol)?

Kategoria: Sieci komputerowe (SK)

Który z adresów IPv4 jest adresem publicznym?

Kategoria: Systemy operacyjne (SO)

Aby zwiększyć funkcjonalność przeglądarki internetowej, np. o obsługę VPN, należy zainstalować
zewnętrzne biblioteki lub programy nazywane

Kategoria: Sieci komputerowe (SK)

Przełącznikowi warstwy drugiej adres IP jest nadawany w celu

Kategoria: Systemy operacyjne (SO)

Na obrazie przedstawiono menu programu GRUB. Którą opcję należy skonfigurować w pliku grub, aby domyślnie jako pierwszy był uruchomiony system Windows?

Kategoria: Sieci komputerowe (SK)

Przełącznikowi warstwy drugiej adres IP jest nadawany w celu

Kategoria: Urządzenia techniki komputerowej (UTK)

Zamontowany w notebooku trackpoint jest urządzeniem wejściowym reagującym na

Kategoria: Systemy operacyjne (SO)

Jaką funkcję pełni polecenie tee w systemie Linux?

Kategoria: Systemy operacyjne (SO)

By uruchomić w systemie Windows oprogramowanie narzędziowe monitorujące wydajność komputera przedstawione na rysunku, należy uruchomić

Kategoria: Sieci komputerowe (SK)

Urządzenia przedstawione na zdjęciu to

Kategoria: Sieci komputerowe (SK)

Która trasa jest oznaczona literą R w tablicy rutingu?

Kategoria: Systemy operacyjne (SO)

Którym symbolem należy opatrzyć sprzęt komputerowy spełniający wymagania prawne umożliwiające jego sprzedaż w Unii Europejskiej?

Kategoria: Sieci komputerowe (SK)

Protokół wykorzystywany przez komputery do powiadamiania ruterów w swojej sieci o chęci przyłączenia się do z określonej grupy multicastowej lub odejścia z niej, to

Kategoria: Sieci komputerowe (SK)

Jakie jest główne zadanie protokołu ICMP?

Kategoria: Urządzenia techniki komputerowej (UTK)

Który typ portu może być użyty do podłączenia dysku zewnętrznego do laptopa?

Kategoria: Sieci komputerowe (SK)

Pierwsze znaki heksadecymalne adresu IPv6 typu link-local to

Kategoria: Sieci komputerowe (SK)

Jak oznacza się na schematach sieci LAN punkty rozdzielcze (dystrybucyjne) znajdujące się na poszczególnych piętrach budynku zgodnie z normą PN-EN 50173?

Kategoria: Sieci komputerowe (SK)

Na schemacie przedstawiono sieć o bezprzewodowej zdecentralizowanej strukturze zwanej

Kategoria: Sieci komputerowe (SK)

Zgodnie z normą TIA/EIA-568-B.1 kabel UTP 5e z przeplotem jest tworzony poprzez zamianę ułożenia we
wtyczce 8P8C następujących par przewodów (odpowiednio według kolorów):

Kategoria: Sieci komputerowe (SK)

Który rysunek przedstawia ułożenie żył przewodu UTP we wtyku 8P8C zgodnie z normą TIA/EIA-568-A, sekwencją T568A?

Kategoria: Systemy operacyjne (SO)

Po wpisaniu adresu HTTP w przeglądarce internetowej wyświetla się błąd „403 Forbidden”, który oznacza, że

Kategoria: Urządzenia techniki komputerowej (UTK)

Aby za pomocą złącza DE-15F podłączyć przedstawiony projektor do laptopa, należy wykorzystać gniazdo oznaczone numerem

Kategoria: Systemy operacyjne (SO)

Jednym z narzędzi zabezpieczających system przed oprogramowaniem, które bez wiedzy użytkownika pozyskuje i wysyła jego autorowi dane osobowe, numery kart płatniczych, informacje o adresach stron WWW odwiedzanych przez użytkownika, hasła i używane adresy mailowe, jest program

Kategoria: Sieci komputerowe (SK)

Na rysunku przedstawiony jest symbol graficzny

Kategoria: Systemy operacyjne (SO)

W którym programie należy zmodyfikować ustawienia, aby użytkownik komputera mógł wybrać z menu i uruchomić jeden z kilku systemów operacyjnych zainstalowanych na jego komputerze?

Kategoria: Systemy operacyjne (SO)

Wskaż polecenie systemu Linux, które służy do wyodrębnienia plików z archiwum wazne_pliki.tar.bz2

Kategoria: Urządzenia techniki komputerowej (UTK)

Moc pobierana przez zasilacz jest równa jednemu watowi, jeżeli praca o wartości jednego dżula zostanie wykonana w czasie jednej

Kategoria: Sieci komputerowe (SK)

Jaka jest długość maski sieci w adresach klasy B?

Kategoria: Sieci komputerowe (SK)

Wskaż adres rozgłoszeniowy dla podsieci 86.10.20.64/26

Kategoria: Urządzenia techniki komputerowej (UTK)

Żywica światłoutwardzalna to materiał eksploatacyjny drukarki

Kategoria: Systemy operacyjne (SO)

Aby umożliwić przeglądarce obsługę innych dokumentów niż pliki HTML, należy zainstalować zewnętrzne biblioteki lub programy nazywane

Kategoria: Sieci komputerowe (SK)

Która z par: protokół – warstwa, w której pracuje protokół, jest poprawnie połączona według modelu
TCP/IP?

Kategoria: Urządzenia techniki komputerowej (UTK)

Które peryferyjne urządzenie komputerowe jest stosowane do wycinania, drukowania i frezowania?

Kategoria: Systemy operacyjne (SO)

Które narzędzia są stosowane w środowisku graficznym systemów Linux do instalacji oprogramowania?

Kategoria: Sieci komputerowe (SK)

W adresacji IPv6 typowy podział długości związanej z adresem sieci i identyfikatorem hosta wynosi odpowiednio

Kategoria: Sieci komputerowe (SK)

Flaga ACK wysyłana w ramach protokołu TCP jest wykorzystywana do

Kategoria: Sieci komputerowe (SK)

Na podstawie zrzutu ekranu wskaż, który adres należy zmienić w konfiguracji klienta lub serwera, aby
komputer można było podłączyć do domeny?

Kategoria: Sieci komputerowe (SK)

Kabel sieciowy, którego wtyk na jednym końcu jest wykonany według standardu 568A, a na drugim według 568B, to kabel

Kategoria: Urządzenia techniki komputerowej (UTK)

Do pomiaru wartości mocy pobieranej przez zestaw komputerowy służy

Kategoria: Systemy operacyjne (SO)

Aby uruchomić konsolę przedstawioną na rysunku, należy wpisać w wierszu poleceń

Kategoria: Systemy operacyjne (SO)

Otwarty (Open Source) serwer WWW, dostępny dla wielu systemów operacyjnych, to

Kategoria: Urządzenia techniki komputerowej (UTK)

Jakie działanie powinien wykonać użytkownik, aby usunąć błąd oznaczony na rysunku ramką?

Kategoria: Systemy operacyjne (SO)

Oprogramowanie do wirtualizacji dostępne jako rola w systemie Windows Serwer 2012 to

Kategoria: Urządzenia techniki komputerowej (UTK)

Jednostką oporu elektrycznego jest

Kategoria: Sieci komputerowe (SK)

Zamieszczona specyfikacja sprzętowa dotyczy

Kategoria: Sieci komputerowe (SK)

Urządzenie sieciowe Hub jest nazywane

Kategoria: Sieci komputerowe (SK)

Do połączenia ze sobą dwóch przełączników na odległość 200 m oraz aby zapewnić przepustowość minimalną 200 Mbit/s, należy zastosować

Kategoria: Urządzenia techniki komputerowej (UTK)

Możliwą przyczyną niestabilnej pracy komputera, która objawia się zawieszaniem systemu oraz częstymi
restartami, jest

Kategoria: Sieci komputerowe (SK)

Przedstawiony na rysunku wtyk należy zastosować do zakańczania kabli kategorii

Kategoria: Systemy operacyjne (SO)

Administrator systemu Linux wydał polecenie mount /dev/sda2 /mnt/flash. Spowoduje ono

Kategoria: Sieci komputerowe (SK)

Jakie jest główne zadanie protokołu ICMP?

Kategoria: Urządzenia techniki komputerowej (UTK)

Serwisant podczas naprawy sprzętu komputerowego wymienił kartę graficzną oraz zasilacz, zainstalował oraz skonfigurował drukarkę, skonfigurował program Outlook oraz wykonał kopię zapasową zdjęć prywatnych klienta na dysk USB. Wskaż koszt brutto wykonanych przez serwisanta usług.